|
|
|
|
|
|
|
![]()
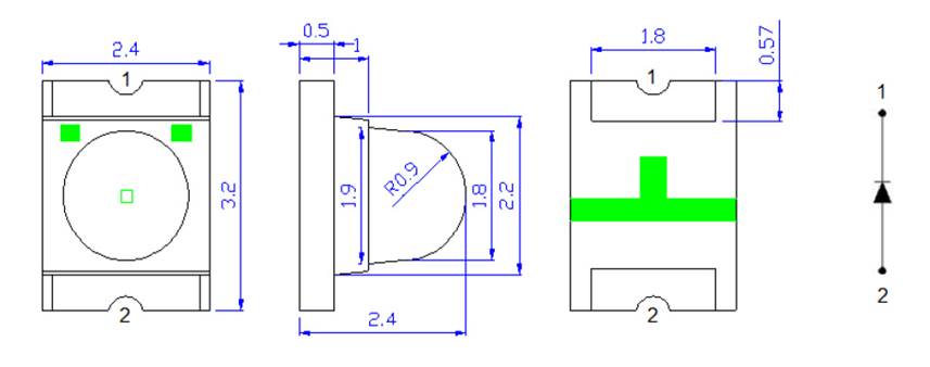
LC LED SLT-883W: 1.8mm White Dome Len SMD LED
3.2mm x 2.4mm 1.8mm Chip SMD (30 Degree)
|
PRODUCT DESCRIPTION |
|
|
(1) RoHS Compliant
Part |
(5) Indicator and Backlighting
Applications |
|
(2) SMD
Assembly or Manual Soldering |
(6) Medical and
Industrial Devices |
|
(3) Moisture
Sensitive Component |
|
|
(4) Bin Sorted by
Vf, Wavelength, Intensity |
|

Absolute Maximum Rating
(Ta = 250C)
|
PARAMETER |
MAXIMUM RATING |
UNITS |
|
DC Forward Current |
30 |
mA |
|
Peak Pulse Forward Current (1) |
100 |
mA |
|
Avg. Forward Current |
25 |
mA |
|
Electro-Static (ESD) Charge |
2000 |
V |
|
Operating Temperature |
-40
to +85 |
0C |
|
Storage Temperature |
-40
to +85 |
0C |
(1) Pulse width of 1/10 duty and F = 1KHz for
long operating life, max. of 20mA recommended
Electro-optical
Characteristics (Ta = 250C)
|
PARAMETER |
SYMBOL |
CONDITIONS |
MIN. |
TYP. |
MAX. |
UNIT |
|
Forward
Voltage |
VF |
IF
= 20mA |
2.8 |
|
3.5 |
V |
|
Reverse
Voltage |
VR |
IR
= 10mA |
|
|
5 |
V |
|
Dominant
Wavelength |
lD |
IF
= 20mA |
6000 |
K |
||
|
Viewing Angle |
2q1/2 |
IF
= 20mA |
|
30 |
|
Deg. |
|
Luminous
Intensity |
IV |
IF
= 20mA |
1,000 |
2,500 |
mcd |
![]()
|
LC LED Corporation |