|
|
|
|
|
|
|
![]()
LC LED Power Top White SMD LED (140 Degree) Milky Len
|
HIGHLIGHTS |
APPLICATIONS |
|
·
3.5mm x 2.8mm Dome Len SMD ·
Low Power Consumption. High Brightness
Chip ·
Long Operating Life ·
RoHS Compliant Part |
·
General Lighting ·
Status Indicator ·
Consumer Devices ·
Instrumentation Lighting |
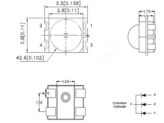
DEVICE
DRAWING

Electro-optical
Characteristics (Ta = 250C)
|
|
|
VIEWING |
lD |
LUMINOUS INTENSITY |
Vf |
|||
|
P/N |
LED COLOR |
ANGLE |
Typ (nm) |
Min. |
Typ. |
Max. |
Typ. (V) |
Max (V) |
|
SLT-873W |
Super White |
140 |
X=0.31 |
5,000 |
|
8,500 |
3.0 |
3.5 |
|
SLT-873B |
Super Blue |
30 |
470 |
850 |
|
2,500 |
3.0 |
3.5 |
|
SLT-873G |
Super Green |
525 |
3,000 |
|
6,500 |
3.0 |
3.5 |
|
|
SLT-873TUR |
Super Red |
630 |
1,600 |
|
3,000 |
1.8 |
2.3 |
|
|
SLT-873TUY |
Super Yellow |
590 |
1,600 |
|
3,000 |
1.8 |
2.3 |
|
Absolute
Maximum Rating (Ta = 250C)
|
Parameter |
Maximum Rating |
Units |
|
DC Forward Current |
30 |
mA |
|
Peak Pulse Current (1) |
100 |
mA |
|
Power Dissipation |
100 |
mW |
|
Reverse Voltage (IR
= 10uA) |
5 |
V |
|
Operating Temperature |
-30
to +85 |
0C |
|
Storage Temperature |
-40
to +90 |
0C |
(1) Pulse Conditions
of 1/10 duty and 0.1msec widths
![]()
|
LC LED Corporation |