|
|
|
|
|
|
|
![]()
LC LED SLT-385TWG: 0.5W
Bicolor SMD LED White & Green
LC LED 0.5W Bicolor SMD LED White and Green (170 Degree)
|
PRODUCT DESCRIPTION |
|
|
(1) RoHS Compliant
Part |
(4) Suitable for
SMT Assembly |
|
(2) Super Bright
Bi-Color White & Green SMD LED |
(5) Low Profile SMD
PLCC Package |
|
(3) Sun Light
Viewable at 60mA |
(6) Rugged design
suitable for both indoor & outdoor use |
Absolute Maximum Rating
(Ta = 250C)
|
PARAMETER |
MAXIMUM RATING |
UNITS |
|
DC Forward Current |
2
x 60 |
mA |
|
Peak Pulse Forward Current (1) |
2
x 120 |
mA |
|
Operating Temperature |
-30
to +85 |
0C |
|
Storage Temperature |
-40
to +100 |
0C |
|
LED Junction Temperature |
125 |
0C |
|
Electro-Static Discharge |
2000
(HBM) |
V |
(1) Max.
pulse conditions of 1/10 duty cycle and 10msec pulse width per led die
Electro-optical
Characteristics (Ta = 250C)
|
PARAMETER |
SYMBOL |
CONDITIONS |
MIN. |
TYP. |
MAX. |
UNIT |
|
DC Forward Voltage
(White) |
VF |
IF
= 60mA |
3.0 |
3.5 |
V |
|
|
DC Forward
Voltage (Green) |
VF |
IF
= 60mA |
3.0 |
|
3.5 |
V |
|
VR |
IR = 10mA |
|
|
5 |
V |
|
|
Dominant
Wavelength (White) |
lD |
IF
= 60mA |
5000 |
|
8000 |
Kelvin |
|
Dominant
Wavelength (Green) |
lD |
IF
= 60mA |
515 |
|
530 |
nm |
|
Viewing Angle |
2q1/2 |
IF
= 60mA |
|
170 |
|
Deg. |
|
Luminous
Intensity (White) |
IV |
IF
= 60mA |
5,000 |
10,000 |
mcd |
|
|
Luminous
Intensity (Green) |
IV |
IF
= 60mA |
5,000 |
10,000 |
mcd |
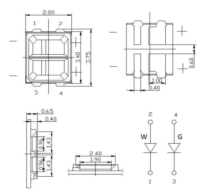
MECHANICAL DRAWING

![]()
|
LC LED Corporation |