|
|
|
|
|
|
|
![]()
LC LED SLT-385BR: Bicolor SMD LED Blue & Red
LC LED 0.5W Bicolor SMD LED Blue and Red (170 Degree)
|
PRODUCT DESCRIPTION |
|
|
(1) RoHS Compliant
Part |
(4) Suitable for
SMT Assembly |
|
(2) Super Bright
Bi-Color Blue & Red SMD LED |
(5) Low Profile SMD
PLCC Package |
|
(3) Sun Light
Viewable at 60mA |
(6) Rugged design
suitable for both indoor & outdoor use |
Absolute Maximum Rating
(Ta = 250C)
|
PARAMETER |
MAXIMUM RATING |
UNITS |
|
DC Forward Current |
2
x 60 |
mA |
|
Peak Pulse Forward Current (1) |
2
x 120 |
mA |
|
Operating Temperature |
-30
to +85 |
0C |
|
Storage Temperature |
-40
to +100 |
0C |
|
LED Junction Temperature |
125 |
0C |
|
Electro-Static Discharge |
2000
(HBM) |
V |
(1) Max.
pulse conditions of 1/10 duty cycle and 10msec pulse width per led die
Electro-optical
Characteristics (Ta = 250C)
|
PARAMETER |
SYMBOL |
CONDITIONS |
MIN. |
TYP. |
MAX. |
UNIT |
|
DC Forward
Voltage (Blue) |
VF |
IF
= 60mA |
3.0 |
3.5 |
V |
|
|
DC Forward
Voltage (Red) |
VF |
IF
= 60mA |
1.8 |
|
2.3 |
V |
|
VR |
IR = 10mA |
|
|
5 |
V |
|
|
Dominant
Wavelength (Blue) |
lD |
IF
= 60mA |
460 |
|
465 |
nm |
|
Dominant
Wavelength (Red) |
lD |
IF
= 60mA |
625 |
|
635 |
nm |
|
Viewing Angle |
2q1/2 |
IF
= 60mA |
|
170 |
|
Deg. |
|
Luminous
Intensity (Blue) |
IV |
IF
= 60mA |
2,500 |
4,500 |
mcd |
|
|
Luminous
Intensity (Red) |
IV |
IF
= 60mA |
3,000 |
6,000 |
mcd |
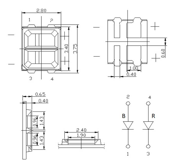
MECHANICAL DRAWING

![]()
|
LC LED Corporation |