|
|
|
|
|
|
|
![]()
LCTD-3912TW1C: Surface Mount
White 0.39 Inch (10mm) LED Display (Black Background) Cathode
|
PRODUCT DESCRIPTION |
|
|
(1) SMD Display
0.39 Inch (10mm) Three Digit |
(5) Black Color Background |
|
(2) Low current
operation |
(6) Common Cathode |
|
(3) Excellent color
and font characteristics |
(7) RoHs Compliant Part |
|
(4) Colors: White, Blue, Red, Yellow (Amber) &
Green |
|
Absolute Maximum Rating
(Ta = 250C)
|
PARAMETER |
RED |
AMBER |
GREEN |
BLUE |
WHITE |
|
|
DC Forward
Current Per Segment |
20 |
20 |
20 |
20 |
20 |
mA |
|
Peak Current
Per Segment (1) |
100 |
100 |
100 |
100 |
100 |
mA |
|
Avg. Forward
Current (Pulse Operation) Per Segment |
20 |
20 |
20 |
20 |
20 |
mA |
|
Reverse
Voltage |
5 |
V |
||||
|
Operating
Temperature |
-40
to +85 |
0C |
||||
|
Storage
Temperature |
-40
to +85 |
0C |
||||
(1) Pulse conditions of 1/10 duty cycle @ 1KHz
Electro-optical
Characteristics (Ta = 250C)
|
|
|
|
MAX. |
|
|
LUMINOUS INTENSITY |
|
LCTD-3912TW1C |
InGaN |
5,500K |
10 |
3.0 |
3.3 |
200
mcd |
|
LCTD-3912TB1C |
InGaN |
465 |
10 |
3.0 |
3.3 |
135
mcd |
|
LCTD-3912TG1C |
InGaN |
525 |
10 |
3.0 |
3.3 |
260
mcd |
|
LCTD-3912TUR1C |
AlInGaP |
630 |
10 |
1.8 |
2.3 |
125
mcd |
|
LCTD-3912YG1C |
AlInGaP |
571 |
10 |
1.7 |
2.1 |
80
mcd |
|
LCTD-3912UY1C |
AlInGaP |
590 |
10 |
1.7 |
2.1 |
85
mcd |
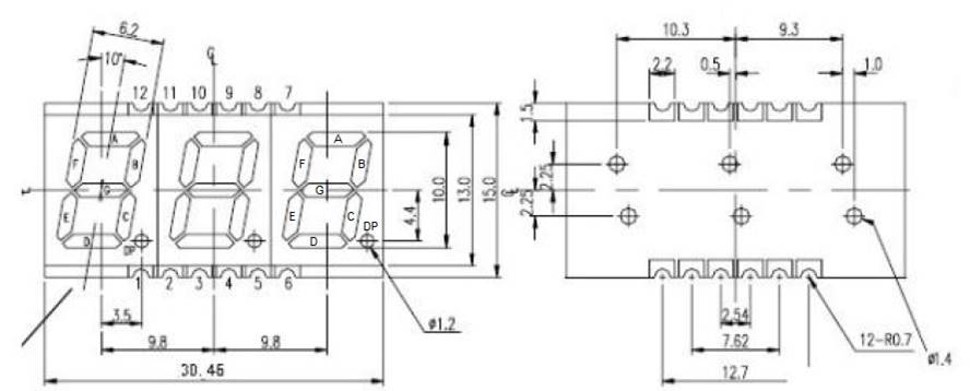
MECHNICAL
DIMENSIONS


INTERNAL
CIRCUIT LAYOUT

![]()
|
LC LED Corporation |