|
|
|
|
|
|
|
![]()
LCSM-5614TB11: SMD Alpha-Numeric
Blue 0.56 Inch (14.2mm) LED Display (Black) Anode
|
PRODUCT DESCRIPTION |
|
|
(1) SMD
Alpha-Numeric 0.56 Inch (14.2mm) Height |
(5) Black Color Background |
|
(2) Low current
operation |
(6) Common Anode |
|
(3) Excellent color
and font characteristics |
(7) RoHs Compliant
Part |
|
(4) Colors: White, Blue, Red, Yellow, Orange, Green |
|
Absolute Maximum Rating
(Ta = 250C)
|
PARAMETER |
RED/ORANGE |
AMBER |
GREEN |
BLUE |
WHITE |
|
|
DC Forward
Current Per Segment |
20 |
20 |
20 |
20 |
20 |
mA |
|
Peak Current
Per Segment (1) |
100 |
100 |
100 |
100 |
100 |
mA |
|
Avg. Forward
Current (Pulse Operation) Per Segment |
20 |
20 |
20 |
20 |
20 |
mA |
|
Reverse
Voltage |
5 |
V |
||||
|
Operating
Temperature |
-40
to +85 |
0C |
||||
|
Storage
Temperature |
-40
to +85 |
0C |
||||
(1) Pulse conditions of 1/10 duty cycle @ 1KHz
Electro-optical
Characteristics (Ta = 250C)
|
|
|
|
MAX. |
|
|
LUMINOUS INTENSITY |
|
LCSM-5614TW11 |
InGaN |
5,500K |
10 |
3.0 |
3.3 |
85
mcd |
|
LCCS-5614TB11 |
InGaN |
465 |
10 |
3.0 |
3.3 |
68
mcd |
|
LCSM-5614TG11 |
InGaN |
525 |
10 |
3.0 |
3.3 |
89
mcd |
|
LCSM-5614TUR11 |
AlInGaP |
630 |
10 |
1.8 |
2.3 |
60
mcd |
|
LCSM-5614YG11 |
AlInGaP |
571 |
10 |
1.7 |
2.1 |
45
mcd |
|
LCSM-5614UY11 |
AlInGaP |
590 |
10 |
1.7 |
2.1 |
50
mcd |
|
LCSM-5614UD11 |
AlInGaP |
605 |
10 |
1.7 |
2.3 |
65
mcd |
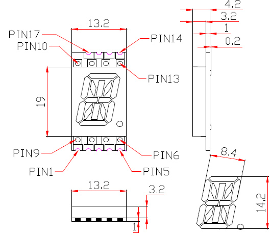
MECHNICAL
DIMENSIONS

INTERNAL
CIRCUIT LAYOUT

![]()
|
LC LED Corporation |