|
|
|
|
|
|
|
![]()
LCSA-5014TB11: Alpha-Numeric Single Digit 0.5 Inch (12.7mm)
Blue LED Display
|
PRODUCT DESCRIPTION |
|
|
(1) 0.50 Inch
(12.7mm) Single Digit Alpha-Numeric LED |
(5) Gray or black color background |
|
(2) Low current
operation |
(6) Common Anode |
|
(3) Excellent
color and font characteristics |
(7) RoHs Compliant Part |
|
(4) Colors: White, blue, red, yellow and green |
|
Absolute Maximum
Rating (Ta = 250C)
|
PARAMETER |
RED |
AMBER |
GREEN |
BLUE |
WHITE |
UNITS |
|
DC Forward
Current Per Segment |
30 |
30 |
25 |
30 |
20 |
mA |
|
Peak
Current Per Segment (1) |
100 |
100 |
100 |
100 |
25 |
mA |
|
Avg.
Forward Current (Pulse Operation) Per Segment |
30 |
30 |
30 |
30 |
25 |
mA |
|
Reverse
Voltage (2) |
3 |
V |
||||
|
Operating
Temperature |
-25
to +85 |
0C |
||||
|
Storage
Temperature |
-30
to +85 |
0C |
||||
(1) Pulse conditions of 1/10 duty and 0.1msec width,
for long operating life, max. of 20mA recommended
(2)
Reverse biasing of the dot matrix is not recommend, will cause damage to
the leds
Electro-optical
Characteristics (Ta = 250C)
|
|
|
|
MAX. |
|
|
LUMINOUS INTENSITY |
|
LCSA-5014AUR11 |
AlGaAs |
660 |
10 |
1.8 |
2.3 |
35,000
ucd |
|
LCSA-5014TB11 |
InGaN |
468 |
10 |
3.3 |
4.0 |
45,000
ucd |
|
LCSA-5014YG11 |
GaP |
568 |
10 |
1.9 |
2.3 |
35,000
ucd |
|
LCSA-5014UY11 |
AlInGaP |
590 |
10 |
1.8 |
2.3 |
35,000
ucd |
|
LCSA-5014TW11 |
InGaN |
5,500K |
10 |
3.3 |
4.0 |
75,000
ucd |
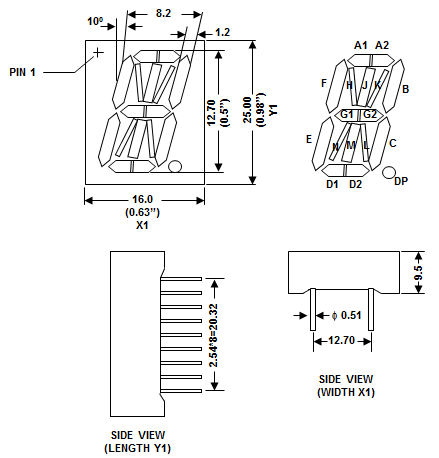
PIN
CONNECTION & DEVICE DIAGRAM


![]()
![]()
|
LC LED Corporation |