|
|
|
|
|
|
|
![]()
LCS-8012YG21: 7-Segment Green
Single Digit 0.80 Inch (20.32mm) LED Anode
|
PRODUCT DESCRIPTION |
|
|
(1) 0.80 Inch (20.32mm) Digit Height |
(5) Low current operation |
|
(2) Common Anode |
(6) Excellent color and font characteristics |
|
(3) Gray Background |
(7) RoHs Compliant Part |
|
(4) Color:
Green |
(8) Custom configuration available |
Absolute Maximum Rating
(Ta = 250C)
|
PARAMETER |
WHITE |
UNITS |
|
DC Forward
Current Per Segment |
20 |
mA |
|
Peak Current
Per Segment (1) |
25 |
mA |
|
Avg. Forward Current
(Pulse Operation) Per Segment |
25 |
mA |
|
Reverse
Voltage (2) |
5 |
V |
|
Operating
Temperature |
-30
to +85 |
0C |
|
Storage
Temperature |
-40
to +100 |
0C |
(1) Pulse conditions of 1/10 duty and 0.1msec width,
for long operating life, max. of 20mA recommended
(2)
Reverse biasing is not recommended, will cause damage to the leds
Electro-optical
Characteristics (Ta = 250C)
|
|
|
|
MAX. |
|
|
LUMINOUS INTENSITY |
|
LCS-8012YG21 |
AlInGaP |
571 |
10 |
1.7 |
2.2 |
70,000
ucd |
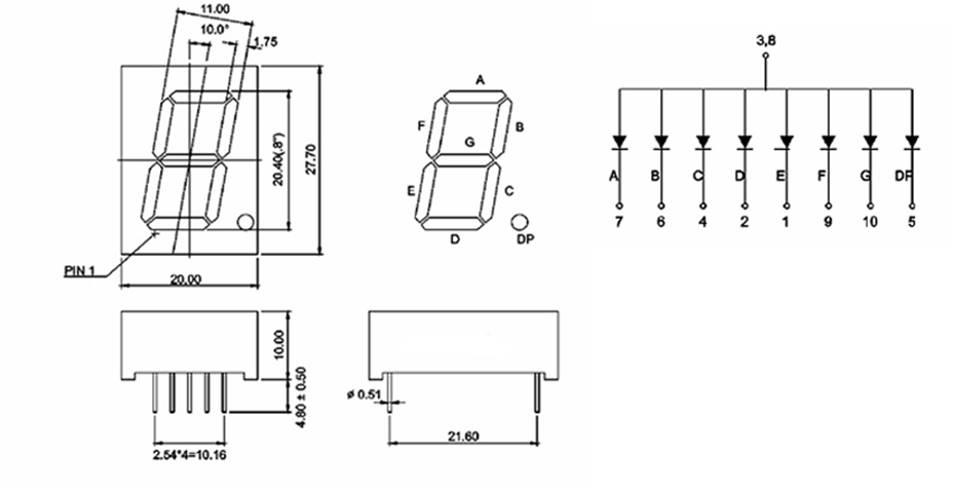
DEVICE
DIAGRAM

![]()
|
LC LED Corporation |