|
|
|
|
|
|
|
![]()
LCS-40012TB1C: 7-Segment
Single Digit Blue 4.0 Inch (100.0mm) LED Cathode
|
PRODUCT DESCRIPTION |
|
|
(1) 4.0 Inch
(100.0mm) Digit Height |
(5) Gray or black color background |
|
(2) Low current
operation |
(6) Common Cathode |
|
(3) Excellent color
and font characteristics |
(7) RoHs Compliant Part |
|
(4) Colors: White, blue, red, yellow and green |
|
Absolute Maximum Rating
(Ta = 250C)
|
PARAMETER |
RED |
AMBER |
GREEN |
BLUE |
WHITE |
|
|
DC Forward
Current Per Segment |
20 |
20 |
20 |
20 |
20 |
mA |
|
Peak Current
Per Segment (1) |
100 |
100 |
100 |
100 |
100 |
mA |
|
Avg. Forward
Current (Pulse Operation) Per Segment |
20 |
20 |
20 |
20 |
20 |
mA |
|
Reverse
Voltage |
5 |
V |
||||
|
Operating
Temperature |
-30
to +85 |
0C |
||||
|
Storage
Temperature |
-30
to +85 |
0C |
||||
(1) Pulse conditions of 1/10 duty and 0.1msec
width, for long operating life, max. of 20mA recommended
Electro-optical
Characteristics (Ta = 250C)
|
|
|
|
MAX. |
|
|
LUMINOUS INTENSITY |
|
LCS-40012TUR1C |
AlInGaP |
630 |
10 |
9.0
(1) |
11.0 |
120,000
ucd |
|
LCS-40012TB1C |
InGaN |
468 |
10 |
16.25
(2) |
17.5 |
130,000
ucd |
|
LCS-40012YG1C |
AlInGaP |
568 |
10 |
9.0
(1) |
11.0 |
120,000
ucd |
|
LCS-40012UY1C |
AlInGaP |
590 |
10 |
9.0
(1) |
11.0 |
120,000
ucd |
|
LCS-40012TW1C |
InGaN |
5,500K |
10 |
16.25
(2) |
17.5 |
120,000
ucd |
(1)
Cathode
Decimal Point (DP) Vf = 1.8V ONLY uses one led chip for red, yellow and green
color.
(2)
Cathode Decimal Point (DP) Vf = 3.3V ONLY
uses one led chip for blue and white color.
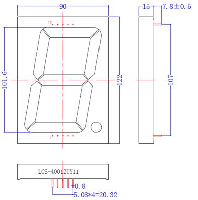
MECHNICAL
DIMENSIONS & INTERNAL CIRCUIT LAYOUT



![]()
|
LC LED Corporation |