|
|
|
|
|
|
|
![]()
|
HIGHLIGHTS |
APPLICATIONS |
|
·
High Power UV-A LED ·
Wide Range of
Wavelengths (365nm to 430nm) ·
Ceramic Surface
Mountable Package ·
Low Thermal
Resistance ·
RoHs Compliant Part |
·
Purification and
Sterilization ·
Curing for Ink,
Adhesive and Coating ·
Inspection and
Detection ·
Medical and
Industrial Instrumentation ·
Black Light |
DESCRIPTION
|
|
|
Radiant Power (mW) |
|
|
|
PART NO. |
COLOR |
MIN. |
TYPICAL |
VIEWING ANGLE |
|
LCE-558UV365P |
365nm |
1,000 |
1,400 |
120 |
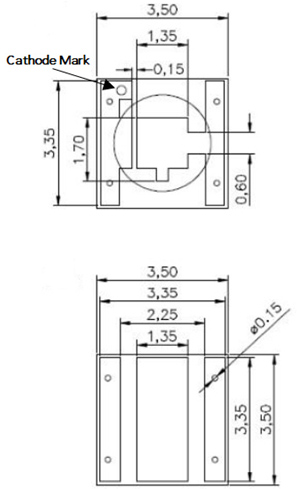
DEVICE DRAWING


ELECTRICAL
AND OPTICAL CHARACTERISTICS (Ta = 250C)
|
SYMBOL |
PARAMETER |
MIN. |
MAX. |
Units |
TEST CONDITIONS |
|
lP |
Peak
Wavelength |
365 |
370 |
nm |
|
|
VF |
Forward
Voltage |
3.0 |
3.8 |
V |
ABSOLUTE
MAXIMUM RATING (Ta = 250C)
|
PARAMETER |
SYMBOL |
MAXIMUM |
UNITS |
|
Power Dissipation |
PD |
3000 |
mW |
|
DC Forward Current |
IF |
1000 |
mA |
|
Peak Forward Current (1) |
IP |
1000 |
mA |
|
Junction Temperature |
TJ |
125 |
0C |
|
Thermal Resistance |
RTH |
4.5 |
0C / W |
|
Electro-static Discharge |
ESD |
2000 |
V |
|
Operating Temperature |
Topr |
-40 to +85 |
0C |
|
Storage Temperature |
Tstg |
-40 to +100 |
0C |
(1) Pulse conditions of 1/10 duty and 0.1msec
max. pulse width
![]()
|
LC LED Corporation |