|
|
|
|
|
|
|
![]()
LCE-558RP: 3W RED SMD LED HIGH POWER
3W Red
SMD LED High Output 140 Degree
|
PRODUCT DESCRIPTION |
|
|
|
(1) RoHS Compliant Part |
(5) SMD Assembly or Manual Soldering |
|
|
(2) High luminous flux, low power consumption |
(6) Bin Sorted By
Color, Intensity & Vf |
|
|
(3) Sub-compact modulated design |
(7) Moisture Sensitive Component |
|
|
(4) Ideal for general purpose lighting (both
indoor |
(8) Packaging:
1,000 per Reel |
DESCRIPTION
|
|
|
Luminous Flux (lm)
|
|
|
|
PART NO. |
COLOR |
MIN. |
TYP. |
VIEWING ANGLE |
|
LCE-558RP |
Red |
70 |
90 |
140 |
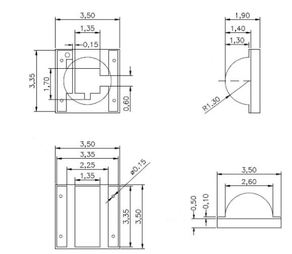
DEVICE DRAWING

ELECTRICAL AND OPTICAL CHARACTERISTICS
AT 700mA (Ta = 250C)
|
SYMBOL |
PARAMETER |
MIN. |
MAX. |
Units |
TEST CONDITIONS |
|
lD |
Dominant Wavelength |
620 |
625 |
nm |
|
|
VF |
Forward Voltage |
2.0 |
2.6 |
V |
|
|
VR |
Reverse Voltage |
5 |
|
|
|
|
IR |
Reverse Current |
|
20 |
mA |
VR = 5V |
ABSOLUTE
MAXIMUM RATING (Ta = 250C)
|
PARAMETER |
SYMBOL |
TYPICAL |
MAXIMUM |
UNITS |
|
Power Dissipation |
PD |
|
3000 |
mW |
|
DC Forward Current |
IF |
|
700 |
mA |
|
Operating Temperature |
Topr |
-30
to +85 |
0C |
|
|
Storage Temperature |
Tstg |
-30
to +100 |
0C |
|
TYPICAL ELECTRO-OPTICAL CHARACTERISTICS
CURVES


![]()
![]()
|
LC LED Corporation |