►
Stand-alone light source or as modules
of led light clusters
►
Applications includes but not limited to
outdoor signage, traffic light, displays….
►
Weather Resistance design for outdoor
use
►
Unique hood shape exterior allows for
operational use during rain
►
Water proof epoxy filled exterior
surrounds the led lamps, includes O’Ring
►
Comes with Male and Female PIN
connectors
ELECTRO-OPTICAL
CHARACTERISTICS (Ta = 250C)
|
Part Number |
|
Lamp |
Vf (V) |
IF (mA) |
Peak |
Iv (mcd) |
Viewing |
|
|
LC26TW8D |
InGaN |
8 |
12V / |
IF = 40 |
5500K |
72,000 mcd |
30 |
|
|
LC26TUR8D |
AlInGaP |
8 |
7.2V / |
IF = 40 |
630nm |
40,000 mcd |
30 |
|
|
LC26TUY8D |
AlInGaP |
8 |
7.2V / |
IF = 40 |
590nm |
38,000 mcd |
30 |
|
|
LC26TB8D |
InGaN |
8 |
12V / |
IF = 40 |
465nm |
40,000 mcd |
30 |
|
|
LC26TG8D |
InGaN |
8 |
12V / |
IF = 40 |
525nm |
64,000 mcd |
30 |
ABSOLUTE MAXIMUM RATING
(Ta = 250C)
|
PARAMETER |
RED / AMBER |
BLUE / GREEN |
WHITE |
UNITS |
|
Power Dissipation |
0.38 |
0.48 |
0.48 |
W |
|
Peak Forward Current per LED |
100
(1) |
100
(1) |
100
(1) |
mA |
|
DC Current per LED |
30
(2) |
30
(2) |
20
(2) |
mA |
|
Average Current (Pulsing) per LED |
30
(2) |
30
(2) |
20
(2) |
mA |
|
Reverse Voltage per Branch |
5 |
5 |
5 |
V |
|
Operating Temperature |
-25
to +70 |
0C |
||
|
Storage Temperature |
-40
to +85 |
0C |
||
(1) Pulse conditions of 1/10 duty and 10msec
width max.,
(2) For
long life, DC current of 10mA to 20mA is recommended
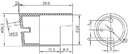
DEVICE
DRAWING
SIDE
VIEW BACK
VIEW

(1) Medium size
nut mounting located in back of cluster for easy installation, M3 size round
Male to Female Connector
![]()
![]()
|
LC LED Corporation |